
产品概述
1、适用标准
本仪器依据国家标准DL/T 502.29—2019 《火力发电厂水汽分析方法、氢电导率的测定方法》设计研发制造,用于水质氢电导率的分析测定。
2、应用领域
用于电力行业、化工行业、排污企业、环境监测、污水处理厂、第三方检测机构、科研院所、高校等领域,为生产研发及科研测试等提供精 准数据。
3、工作原理
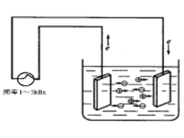
电导率的测量原理是将相互平行且距离是固定值L的两块ji板(或圆柱电ji),放到被测溶液中,在ji板的两端加上一定的电势(为了避免溶液电解,通常为正弦波电压,频率1 kHz~3kHz)。然后通过电导仪测量ji板间电导,如下图2所示:
电导率测量原理简图
图2

电导率的测量需要两方面信息。一个是溶液的电导G,另一个是溶液的几何参数K。电导可以通过电流、电压的测量得到。根据关系式S=K×G可以等到电导率的数值。这一测量原理在直接显示测量仪器中得到广泛应用。
电ji常数——在下式中
K= L /A
A——测量电ji的有效ji板;
L——两ji板的距离;
K值则被称为电ji常数。在电ji间存在均匀电场的情况下,电ji常数可以通过几何尺寸算出。当两个面积为1cm2的方形ji板之间相隔1cm组成电ji时,此电ji的常数K=1cm-1。如果用此对电ji测得电导值G=1000μS,则被测溶液的电导率K=1000μS/ cm。根据上述公式K=S/G,电ji常数K也可以通过测量电导电ji在一定浓度的KCL溶液中的电导G来求得,此时KCL溶液的电导率S是已知的。
测试水样先经过氢型强酸型阳离子交换树脂,将水中带入的游离氨去除,并将所有的阳离子全部转化为H+离子,然后进入流通池测试此时的电导率即为氢电导率。
4、功能描述
功能描述:仪器采用高精度AD转换和单片机微处理技术,能实现电导率的测量、温度的测量、温度自动补偿、量程自动转换等多种功能。
主要特点
1、先进单片机技术,高性能,低功耗。
2、双量程,量程自动转换。
3、双离子交换柱,延长使用寿命。
4、多参数同时显示:在同一屏幕上显示电导率、温度、时间对当前温度下的电导率值可自动进行25℃折算,实现了显示25℃时的电导率值,特别适合电厂多种水质的测量。
5、氢型变色树脂,临近失效及时指示,进行更换。稳定可靠、使用简便、不污染水质。
6、电池使用时间长,充满电可长达8小时测量。
7、数据循环存储功能,自动清 除溢出数据,查询方便,断电数据存储时间10年以上。
8、一体化箱式结构,密封性强,使测量值更准确,使用更方便。
9、氢电导率和电导率均可测量。
10、自带流量计,方便控制控制流量。
主要技术参数
1、测量范围:K=0.01cm-1(0.000~2.000) μS/cm 和(0.00~20.00) μS/cm
2、准确度:±2.5% F ·S
3、显示:128×64点阵液晶,中文显示
4、zui小分辨率:0.001 μS/cm
5、重复性:≤1%
6、温度传感器:Pt1000
7、温补范围:(0~60)℃
8、水样温度:(5~60)℃
9、水样流量:0.3 L~0.5L/min
10、工作压力:≤0.3MPa
11、环境湿度:(5~45)℃
12、环境温度:≤85%RH(无冷凝)
13、外形尺寸:610mm×440mm×250mm
14、供电电源:AC(220±2)V 频率(50±5)Hz
15、功率:≤0.5W
16、重量:15kg
选型指南
1、可选择高 档分析仪
2、可选择高 端分析仪,能够接入实验室信息管理系统LIMS
| 上一条:JX-823型色度仪 | 下一条:内蒙古荣信80万吨/年烯烃项目 |











